RUIX Core – Günstiger Preis - Kompromisslose Präzision.


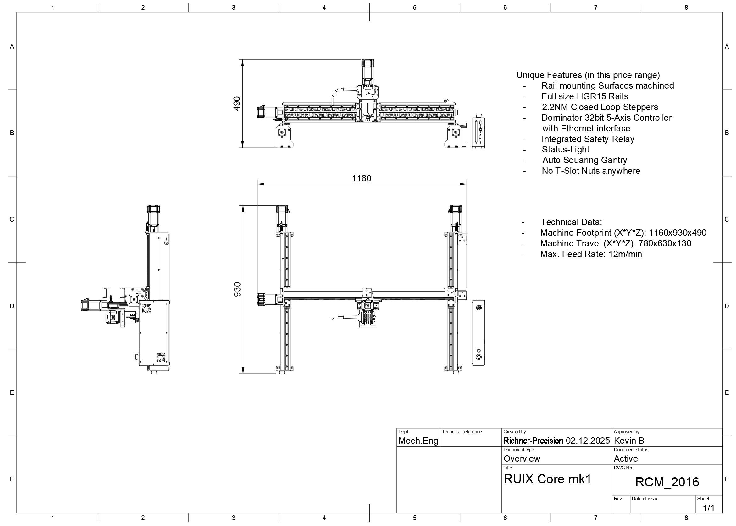
Die RUIX Core ist eine stabile und zugleich preiswerte CNC-Portalfräsmaschine für den Einstieg in die präzise Bearbeitung von Holz, Kunststoffen und Aluminium. Der Maschinenrahmen besteht aus eigens entwickelten Aluminiumprofilen, die stranggepresst, spannungsarm wärmebehandelt und danach auf allen relevanten Flächen CNC-gefräst werden. Alle Bohrungen und Gewinde entstehen bereits im Werk – für schnelle Montage und eine spielfreie, zuverlässige Basis ohne Nutensteine oder Nachjustieren.

Mit Closed-Loop-Schrittmotoren, 15 mm Z1-Linearführungen und vorgespannten Trapezgewindespindeln bietet die RUIX Core eine für ihre Preisklasse überraschend ruhige Laufkultur und hohe Wiederholgenauigkeit. Die grblHAL-basierte 5-Achsen-Steuerung mit 32-Bit-Architektur und Sicherheitsrelais macht den Einstieg in CNC modern, komfortabel und zukunftssicher. Auf Wunsch steht ein leistungsstarker Spindelantrieb zur Verfügung.

Ab CHF 1950.– wird die RUIX Core zu einer bezahlbaren Wahl für den Start in CNC: massiv gebaut, einfach zu bedienen und gemacht für echte Ergebnisse – ob im Hobbykeller, im Makerspace oder als kompakte Maschine in der Werkstatt.

Technische Daten

Maschinenübersicht
  • Hersteller: Richner-Precision
  • Modell: RUIX Core
  • Maschinentyp: CNC-Portalfräsmaschine (Tischmodell)
  • Achsen: 3 Hauptachsen (X, Y, Z), 4. Achse vorbereitet
Einsatzbereiche
  • Präzisionsfrästeile für Einzelstücke, Kleinserien und Prototypen
  • Modellbau und anspruchsvolle Fertigung
  • Ladenbau, Werbetechnik, Möbel- und Innenausbau
  • Bearbeitung von Holz, Kunststoffen, Aluminium und NE-Metallen
  • Ausbildung, Werkstatt und Forschung
Genauigkeit und Mechanik
  • Auflösung Antriebe: 0.005 mm
  • Antriebe: TR8x8 Trapezgewindespindeln
  • Linearführungen: 15 mm Linearschienen mit mittlerer Vorspannung
  • Antriebe: 57 mm Closed-Loop Schrittmotoren
  • Max. Vorschubgeschwindigkeit: 6-12 m/min
  • Grundrahmen: Spezial Aluminiumprofile, wärmebehandelt und auf allen Montageflächen überfräst
Spindel/Fräsmotor (Optional)

  • Spindelleistung: 1 PS (710 W)
  • Spindeldrehzahl: 0–33'000 U/min stufenlos regelbar
  • Spindeltyp: Luftgekühlt mit ER11-Spannzangenaufnahme
  • Werkzeugwechsel: Manuell

Steuerung

  • Controller: Dominator 32-Bit, 5-Achsen, Standalone
  • Referenzierung: Induktive Endschalter (berührungslos)
  • Schnittstellen: Ethernet

Sicherheitssysteme

  • Integriertes Sicherheitsrelais mit 2-kanaliger Abschaltung
  • EMV-konforme Verkabelung mit Netzfilterung


Stromversorgung

  • Netzanschluss: 230 V, 50/60 Hz (Einphasen-Anschluss)
  • Max. Stromverbrauch: 3A ohne Fräsmotor

Abmessungen und Gewicht

  • Verfahrwege (X × Y × Z): 780 × 630 × 130 mm
  • Aufstellfläche: 1160 × 930 mm (Länge × Breite)
  • Höhe Maschine: 490mm
  • Maschinengewicht: ca. 40Kg
  • Gewicht mit Alu Baseplate: ca. 74Kg

Optionales Zubehör

  • 710W ER11 Fräsmotor
  • 15mm Aluminium Baseplate
  • Standalone Update
  • XYZ Werkzeugtaster
  • Späneschuh (Absaugung)
  • Spannzangen, Fräswerkzeuge